Updated:2025-03-13
Views:1331
WeChat
QQ
Online Service
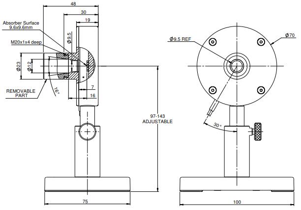
3A is a very sensitive thermopile based laser power/energy sensor with very low noise and drift. It has a 9.5mm aperture. It can measure from 10μW to 3W and from 20μJ to 2J. It is spectrally flat and covers the spectral range from 0.19 to 20 μm. The sensor comes with a 1.5 meter cable for connecting to a meter or PC interface.
| Absorber Type | Low power broadband |
| Aperture | ?9.5mm |
| Spectral Range | 0.19-20μm |
| Power Range | 10μW-3W |
| Energy Range | 20μJ-2J |
| Dimensions | ?70 W x 30 D (mm) |
| Max Pulse Energy | 2J |
| Max Average Power Density | 1kW/cm2 |
| Response Time | 1.8 s |
| Max Energy Density (for <100ns) | 0.3J/cm2 |
| Max Energy Density (for 2ms) | 2J/cm2 |
| Max Average Power | 3W |
What does it mean that the spectral range exceeds the calibrated wavelength range?
The spectral range described at the beginning of the specification represents the range of wavelengths that the sensor can effectively use, even if no precise calibration is specified for that range. This means that the accuracy is specified and guaranteed within the calibrated wavelength range. In a wider range of useful wavelengths, the sensor can be used but its accuracy cannot be guaranteed. Generally speaking, within this wider range, the accuracy will be within ± 15%.
Must a specific sensor be used only with the instrument used when ordering?
Ophir instruments and sensors are calibrated independently. Each instrument has the same sensitivity as the other instrument, and the error is about 2%. Each sensor is calibrated independently of a specific instrument, and its calibration information is contained in the DB15 plug. When the sensor is connected to the instrument, the instrument will read and interpret this information. Since the accuracy of the sensor is usually+/- 3%, the additional 0.2% error that may result from inserting different instruments can be ignored, so it does not matter which calibration instrument is used for a specific calibrated sensor.
Does the injury threshold depend on the power level?
The damage threshold of the thermal sensor really depends on the power level, not just the power density, because the sensor disk itself will become hotter at high power. For example, the damage threshold of Ophir broadband coating may be 50KW/cm2at 10W, but only 10KW/cm2at 300W. Ophir's damage threshold specification is always given for the maximum power used by a particular sensor.
Customer Service QQ
Customer Hotline:
Technical Supports